已阅
亚泰集团
亚泰集团网站群:
建材
地产
医药
金融
煤炭
商贸
会员登录
免费注册
本站
站群
移动门户
联系我们
总经理信箱
亚泰风采
产品与服务
新闻资讯
企业概况
董事长、总裁致辞
集团简介
历史沿革
管理团队
组织结构
经营业绩
荣誉展示
总裁致辞
集团简介
历史沿革
管理团队
组织结构
经营业绩
荣誉展示
辞
集团简介
历史沿革
管理团队
组织结构
经营业绩
荣誉展示
、总裁致辞
集团简介
历史沿革
管理团队
组织结构
经营业绩
荣誉展示
董事长、总裁致辞
集团简介
历史沿革
管理团队
组织结构
经营业绩
荣誉展示
当前位置:
首页
>
安全管理
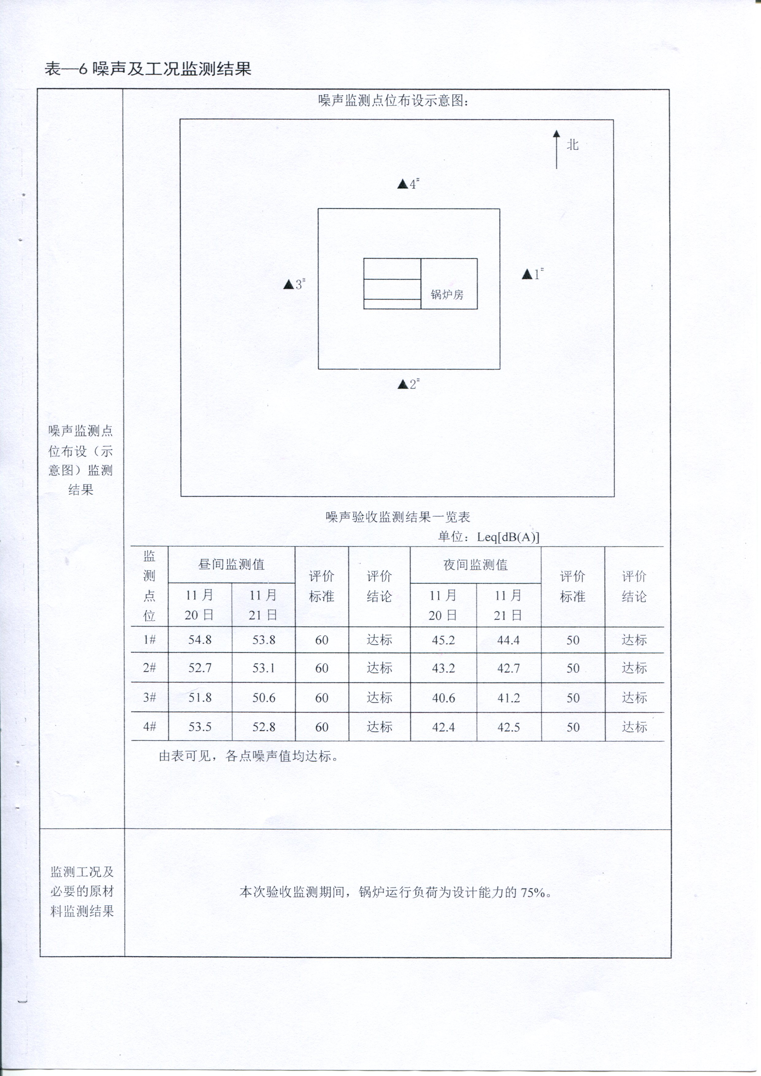
吉林亚泰明城水泥有限公司锅炉改造项目竣工环保验收监测表
发布时间:2018-01-02 字号:【
大
中
小
】
11111
2
3
4
5
6
7
8
9
10
11
12
13
14
15
12121
17
分享到:
联系电话:0432-65721000 吉ICP备11002573号
Copyright © 2015 YATAI GROUP All Rights reservedved.
吉林亚泰(集团)股份有限公司 版权所有
技术支持:亚泰集团信息与智能化管理中心、北京拓尔思信息技术股份有限公司
法律声明
加入我们
网站地图
在线交流